欢迎咨询 售后服务热线:400 6189 083
关注昊志机电官方微信

PRODUCT

产品中心

免费咨询

产品系列:皮带式机械主轴系列

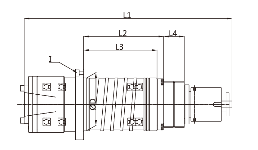
型号:DGZJ-19006B

本产品是一款机床通用皮带主轴,最高转速为6000rpm,主轴连接刀柄形式为BT50,应用于加工中心机台,用于铣削、钻孔、攻丝。


1、高精度:轴芯锥孔偏摆≤0.002mm/s,标准棒300mm处跳动≤0.008,动平衡等级G0.4,具有无与伦比的高精密度的特性。

 

2、高配置:采用国际知名品牌轴承及高规格标准件,确保主轴性能的长期稳定、可靠。进口圆弧齿同步带轮齿形,传递扭矩大、不易打滑。

 

3、低噪音:相同运转条件下,最高转速时噪音相比国标齿形齿轮分贝值低5分贝左右。为终端用户提供更好的加工性能和健康的工作环境。

 

4、刀柄具有多样性:采用BT、BBT、HSK等刀柄接口形式满足客户不同应用需求。

 

5、高稳定性:独特、稳定、超长寿命(≥500万次)的松拉刀机构设计,确保易损件长寿命。

 

6、独特设计:独特性的气幕密封+迷宫密封设计使主轴的密封效果有革命性的提升,有效的防止切削液和异物入侵,使主轴在比较恶劣的工作条件下仍可正常使用,减少密封问题引起的机台故障,为客户提高效率。

 

7、主轴前端设有刀具冷却环喷系统。环喷可根据加工零件或刀具冷却需求不同时,任意调整冷却喷嘴的角度,环喷有在主轴鼻端端面,更接近需求冷却位置,冷却、排屑效果更佳。

 

8、搭配驱动电机,低速时提供大扭矩,高速时提供大功率。


image.png

image.png

返回列表

在线订购

在线订购

请留下您的产品需求详情,以便我们及时、准确的回复您!

*称    呼

*手    机

*地    域

*公    司

需求详情

提交

免费咨询

请留下您的产品需求详情,以便我们及时、准确的回复您!

*称    呼

*手    机

*地    域

*公    司

需求详情

提交