欢迎咨询 售后服务热线:400 6189 083
关注昊志机电官方微信

PRODUCT

产品中心

免费咨询

产品系列:直结式机械主轴系列

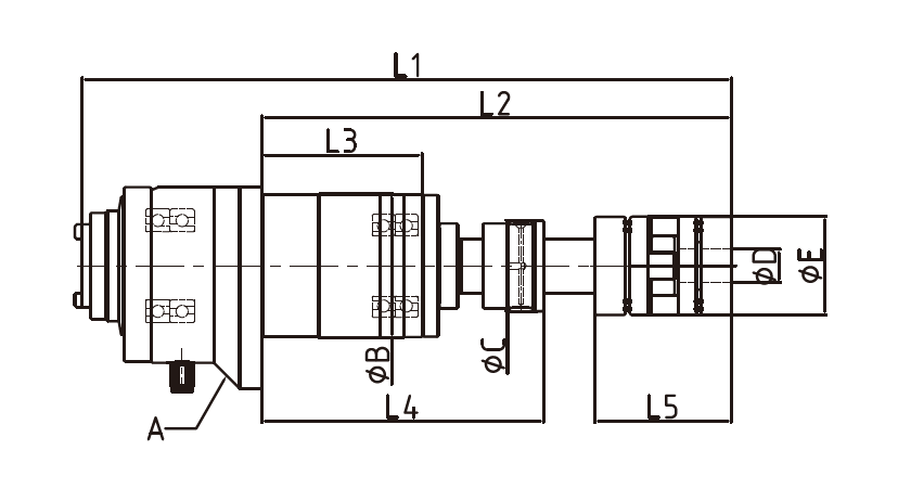
型号:DGZZ-09520/09524

本产品是一款机床直联主轴,最高转速为24000rpm,主轴连接刀柄形式为BBT30,应用于加工中心机台,用于铣削、钻孔、攻丝。

高精度

轴芯锥孔跳动≤0.002mm,标准棒300mm处跳动≤0.008,动平衡等级G1,具有无与伦比的高精密度的特性。

 

高转速

机械主轴的最高转速达2万转/分钟,为铣床、加工中心高效高精加工提供强大支持。

 

高稳定性

独特、稳定、超长寿命(≥1000万次)的松拉刀机构设计,确保长寿命。

 

独特设计

独特的气密封结构设计使主轴的密封效果有革命性的提升。使主轴在比较恶劣的工作条件下仍可正常使用,减少密封问题引起的机台故障,为客户提高效率。


image.png

image.png

返回列表

在线订购

在线订购

请留下您的产品需求详情,以便我们及时、准确的回复您!

*称    呼

*手    机

*地    域

*公    司

需求详情

提交

免费咨询

请留下您的产品需求详情,以便我们及时、准确的回复您!

*称    呼

*手    机

*地    域

*公    司

需求详情

提交